電話:0769-85189162 26980325 傳真:0769-81610656 郵箱:leesun@leesuncn.com sales@leesuncn.com 地址:廣東省東莞市南城區第一國際百安中心B座303室
本機種適用于起動、停止、高頻運轉、寸動定位等。
采用定負荷之板型彈簧片傳達扭矩,無背隙,高速應答,耐久性佳;
使用底磨耗之高級非石棉來令片,超耐磨性,壽命長。
標準電壓:DC24V
型 號
FMX-006
FMX-015
FMX-025
FMX-050
FMX-100
FMX-200
靜摩擦轉距 [kg-m](N-m)
0.55(5.5)
1.1(11)
2.2(22)
4.5(45)
9(90)
17.5(175)
動摩擦轉距 [kg-m](N-m)
0.5(5.0)
1.0(10)
2.0(20)
4(40)
8(80)
16(160)
功率 [24VDC](w)at20℃
11
15
20
25
35
45
懸垂負荷(kgf)
14
70
100
180
最高轉速(r/min)
1800
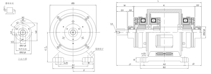
外 型 尺 寸
A1
60
90
105
135
155
195
A2
110
160
200
240
B1
140
175
B2
130
185
230
270
C
65
80
112
132
D
125
150
190
290
E
27.5
32
42
F
68
81
97
129
G
10
12
18
J1
73
83.5
99.5
124
197
J2
48
53.5
59.5
74
114
K
142
163
222
272
348
L
211
247
294
358
440
551
M
47
57
72
93
143
N
33
37
52
62
74.5
Q1
30
40
50
Q2
S1(j6)
19
24
28
38
S2(j6)
55
64
75
U1
12.5
16
21
27
31
41.5
U2
39.5
67
78
93.5
W
4
5
7
X1
3-120°
4-90°
6-60°
X2
60°
45°
30°
Z1
13.5
Z2
6.5
9
V1
M4x0.7Px8L
M6x1Px11L
M10x1.5Px17L
V2
M4x0.7Px4L
M4x0.7Px6L
M5x0.8Px8L
M6x1Px12L
重 量( kg )
6
17
29
58
LTC-002/LTC-002B(簡版)張力控制器可通過手動實時調節
LS-XXBXXL-XXN系列懸臂式張力檢測器可用于對紙張、薄膜
伺服電機直線驅動器LD系列使用無刷直流伺服電機驅動,對
伺服電機中間導向糾偏一體機 使用無刷直流伺服電機驅動
用途: 保持、連接、切離、緩動啟動、張力控制、扭力限
此機適用于連結、變速、切離、寸動、正逆轉、緩沖起動
掃描進入淘寶店
掃描進入阿里店